Filtre pour 5 cartouches de 40 pouces. Filtre multi-cartouches FHPVC-40x5-B2 Crystal Filter® en PVC pression.
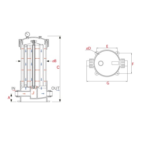
Ce carter de filtre multiposte accepte tout type de cartouches (charbon, spun, bobiné, plissée…) de longueur 40’’, avec embouts DOE (standard double extrémité ouverte), de diamètre intérieur 28 (strict) à 30 mm et de diamètre extérieur 70 mm maximum.
Produits que vous avez déjà vu :
En promo
Meilleures Ventes
Le filtre multi-cartouches Crystal Filter® FHPVC-40x5-B2 est un système de filtration de haute qualité. Particulièrement utilisé pour le prétraitement d’eau, il peut aussi être utilisé dans de nombreuses autres applications : l’industrie électronique, le traitement des eaux usées, la purification d’eau, l’alimentation et la boisson.
Ce carter de filtre multiposte peut aussi servir d'équipement domestique de purification d’eau.
Tous les éléments principaux du corps de filtre multi-cartouches Crystal Filter® FHPVC-40x5-B2 sont en PVC pression. L’entrée et la sortie sont sur le même axe, avec des connexions en 63 mm femelle à coller sur union 3 pièces.
La distribution interne de l’eau se fait de bas en haut pour une répartition du flux homogène, et faciliter la purge d’air.
Dans le corps de filtre multi-cartouches Crystal Filter® FHPVC-40x5-B2, les cartouches s’insèrent facilement par le haut.
Le filtre multi-cartouches Crystal Filter® FHPVC-40x5-B2 est résistant à la corrosion : il peut ainsi être utilisé à la place de l’acier inoxydable. Destiné principalement à la filtration d’eau.
Le couvercle (type B2) de ce filtre multi-cartouches Crystal Filter® FHPVC-40x5-B2 se ferme par des boulons basculants, avec l’avantage d’une meilleure résistance à la pression par rapport aux corps de filtre multi-cartouches utilisant un couvercle de type A.
Ce filtre multi-cartouches existe également avec un couvercle de type A sous la référence Crystal Filter® FHPVC-40x5-A. Le filtre multi-cartouches Crystal Filter® FHPVC-40x5-A se ferme par un écrou en plastique à visser, pour une plus grande facilité d’utilisation, mais avec une moindre résistance à la pression.
Â
- Ref du corps de filtre multi-cartouches Crystal Filter® : FHPVC-40x5-B2
- Nombre d’emplacements cartouches : 5
- Matériau du carter : PVC pression
- Type fermeture : boulons inox 316 (Type B2)
- Dimensions des raccords Entrée / Sortie : 63 mm femelle
- Diamètre nominal : 50 mm
- Pression de fonctionnement max à 25°C : 6 bars
- Pression de fonctionnement recommandée : 4 bars
- Perte de charge maximum : 1.4 bar
- Température de fonctionnement : 5°C à 40°C
- Deux piquages en 1/4'' sur le couvercle (2 purges fournies) : Utilisables pour tout accessoire 1/4'' (Manomètre par exemple)
- Volume du filtre : 38.2 litres
- Joint torique de fermeture : Silicone
- Joint des raccords : EPDM

 Conforme à la norme CE P.E.D. 97/23/CE directive 2014/68/EU relative aux équipements sous pression.
Attention : Le filtre multi-cartouches Crystal Filter® FHPVC-40x5-B2 doit être utilisé à une pression inférieure à 6 bars (0.6 Mpa)
Â
Â

A = 75 mm
B = 225 mm
C = 1215 mm
D = 10 mm
E = 187.5 mm
F = 186 mm
G = 473 mm
ÂLe corps de filtre multi-cartouches Crystal Filter® FHPVC-40x5-B2 accepte les cartouches qui remplissent les conditions suivantes :
- Longueur : 40''
- Embouts : DOE (standard Double Extrémité Ouverte)
- Diamètre intérieur : 28 mm (strict) à 30 mm
- Diamètre extérieur : 70 mm
- Tous types : charbon, spun, bobiné, plissée…
Attention à vérifier la correspondance des cartouches que vous souhaitez utiliser avec les caractéristiques indiquées : Les cartouches ayant un diamètre intérieur inférieur à 28 mm ne sont pas compatibles avec les filtres multi-cartouches FHPVC Crystal Filter®.
Â
A LIRE AVANT INSTALLATION :
Ce carter de filtre multiposte est destiné uniquement à une utilisation avec de l'eau froide. (5-40°C)
Ne pas utiliser si ce filtre multi-cartouches présente des dommages ou des fissures.
Ce corps de filtre multi-cartouches supporte une pression maximale de 6 bars. Il doit être utilisé à une pression inférieure à celle-ci.
Si votre pression d'eau risque, à tout moment, de dépasser 5,5 bars, installer un régulateur de pression. Le régulateur de pression doit être installé avant le filtre multi-cartouches. Cette action protège contre la pression d'eau dépassant la pression maximale. Il est recommandé que le régulateur de pression soit réglé à 5 bars ou moins.
Â
PRUDENCE
Le joint torique en assure l'étanchéité entre la tête et le carter.
Il est important que le joint torique soit correctement inséré dans la rainure du réservoir prévue à cet effet pour éviter tout risque de fuite. Il est préconisé de lubrifier régulièrement le joint à l'aide d'un lubrifiant adéquat.
Si vous souhaitez utiliser ce carter de filtre multiposte avec un fluide autre que de l'eau, veuillez prendre contact avec votre revendeur.
Â
PROTÉGER LE CARTER PORTE FILTRE
Du gel, de la lumière directe du soleil ou d'autres sources de rayons UV. L'exposition peut provoquer une défaillance du carter porte filtre.
Une utilisation du carter porte filtre à une pression supérieure à celle recommandée peut entraîner des blessures ou des dommages matériels.
Â
MAINTENANCE DU FILTRE MULTI-CARTOUCHES :
Coupez l'alimentation en eau et relâchez la pression avant d'ouvrir le carter multi-cartouches.
Serrer les boulons en étoile, à la main uniquement.
Soyez le premier à poser une question sur ce produit !
Produit conforme, bien emballé et vite reçu!
Très satisfait et je recommande vivement
Service rapide matériel conforme au attentes bon emballage.
Super
Je fais appel à Waterconcept depuis plusieurs années pour l’achat de mes filtres. Ils ont toujours été extrêmement réactifs, livraison très rapide et ils ont les meilleurs prix pour le matériel dont j’ai besoin.
Je suis toujours satisfait du site, je n'ai jamais eut de problème je recommande
Article conforme. Livraison rapide. Site sérieux.
aucun soucis reponce rapide
Professionnalisme et service client efficace
Bon produit. SAV de qualité. A recommander.
Parfait pour une cafetière grains Krups
J'ai commandé et reçu dans les délais prévus les filtres pour ma centrale vapeur (malgré le fait que celle-ci ne soit plus fabriquée (l'usine "Dominéa" ayant cessé son activité en 1995) les pièces (ou certaines) sont toujours disponibles en France. Merci
Rapide et bonne réception conforme
Comme d'habitude le délai de livraison est correct, mais pour la première fois on a dû surbir des droits de douane
Parfait c’est rapide bien emballé et toujours de qualité
Filtres reçus conforment à la commande, bien dommage que la livraison par colissimo soit toujours aussi désastreuse !
Délais respecté, bon produit, parfait !
Comme toujours avec Waterconcept, commande facile, livraison dans les délais. Le matériel est de qualité et parfaitement compatible avec les produits CULLIGAN que ce soit les filtres, les raccords ou les tuyaux pour osmoseur et robinet. Tout ça pour un prix nettement inférieur. Réactivité du service client dans le 1/2 heure suite à un problème de réduction tarifaire. Je recommande ce site
J’ai pu trouver un diamètre spécifique de tube pvc que je ne trouvais pas dans les magasins de bricolage classique. Envoie rapide et soigner
D'excellents produits pour des prix à faire pâlir la concurrence. Site très clair, gestion des commandes et informations clients plus que bien, rapidité +++. Je suis cliente chez Waterconcept depuis 2018, jamais été déçue, bien au contraire, à chaque fois surprise par tant de professionnalisme. Bravo et merci !
Commande de 3 cartouches filtre et 1 membrane pour osmoseur. Produits impeccables, aucun problème a la mise en place. Livraison conforme et rapide. Un très grand choix de produits sur le site. Je recommande.